Шайба SPZ/Осем канала

SPZ/8

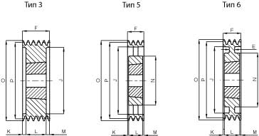
Тип Канали P O Форма Втулка мaкс. Ø E F J K L M N
SPZ140-08 8 140 144 3 2517 60 100 111 27,5 45 27,5
SPZ150-08 8 150 154 3 2517 60 100 121 27,5 45 27,5
SPZ160-08 8 160 164 3 2517 60 100 131 27,5 45 27,5
SPZ180-08 8 180 184 3 2517 60 100 151 27,5 45 27,5
SPZ200-08 8 200 204 3 3020 75 100 171 24,5 51 24,5
SPZ224-08 8 224 228 3 3020 75 100 195 24,5 51 24,5
SPZ250-08 8 250 254 6 3020 75 20 100 221 24,5 51 24,5 146
SPZ280-08 8 280 284 6 3020 75 20 100 251 24,5 51 24,5 146
SPZ355-08 8 355 359 5 3030 75 100 326 12 76 12 146
SPZ400-08 8 400 404 5 3030 75 100 371 12 76 12 146
SPZ450-08 8 450 454 5 3535 90 100 421 5,5 89 5,5 175
Код: 90 Категория: